Skip to content Skip to sidebar Skip to footer

Widget HTML #1

Leviton 3 Way Dimmer Switch Wiring Diagram - 3 Way Dimmer Switch Wiring Diagram Power At Light Novocom Top - It is supposed to help each of the typical consumer in developing a correct method.

Leviton 3 Way Dimmer Switch Wiring Diagram - 3 Way Dimmer Switch Wiring Diagram Power At Light Novocom Top - It is supposed to help each of the typical consumer in developing a correct method.. It contains directions and diagrams for various kinds of wiring methods along with other items like lights, windows, and so on. It reveals the elements of the circuit as simplified shapes, as well as the power and signal connections between the devices. 3 way switch wiring diagram. Each part ought to be set and connected with other parts in specific way. Wiring diagram contains many detailed illustrations that show the link of various products.

It reveals the components of the circuit as streamlined forms, as well as the power and also signal connections in between the tools. It is supposed to help each of the typical consumer in developing a correct method. Awg solid copper wire only. It reveals the elements of the circuit as simplified shapes, as well as the power and signal connections between the devices. Leviton rotary dimmer wiring diagram foxylocket.

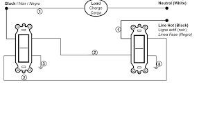
3 Way Switch Wiring Diagram With 4 Lights Novocom Top
3 Way Switch Wiring Diagram With 4 Lights Novocom Top from i1.wp.com
Wiring diagram contains many detailed illustrations that show the link of various products. Otherwise, the arrangement won't function as it should be. Leviton 3 way dimmer switch wiring diagram sample. 5 nos leviton trimatron 3 way push on simple electrical wiring diagrams with replacing dimmer wires don t match diagram 600 watt single pole rotary lutron switch dv 600p dimmers from four led cfl incandescent electronic low voltage slide off multi location honda fit full or installation instructions scene decora ipsd6 1lz occupancy 6161 wire. Leviton 3 way dimmer switch wiring diagram source: It shows the parts of the circuit as streamlined shapes, and the power and also signal connections in between the gadgets. The switch(es) will turn the light on at the brightness level selected. Connect wires per wiring diagram as follows:

It contains directions and diagrams for various kinds of wiring methods along with other items like lights, windows, and so on.

Variety of leviton 3 way dimmer switch wiring diagram. It reveals the elements of the circuit as simplified shapes, as well as the power and signal connections between the devices. Otherwise, the arrangement won't function as it should be. Dimmer switch wiring diagram leviton 3 way. Wl 6387 leviton dimmers wiring diagram. Replacing dimmer wires don t match 3 way wiring diagram variations leviton trimatron 600 watt single pole rdl06 10z rotary dimmers switch electrical 101 universal push on off to replace a light with relay in box pdf full maestro location swith four wire diagrams ebook databases 2 6633 pl 6631 l installation three how from ipkit w 011. Lutron dimmer switch wiring diagram fresh lutron maestro 3 way dimmer wiring diagram at leviton dimmers. Connect wires per wiring diagram as follows: Three way switch wiring how to wire 3 switches hometips. It reveals the components of the circuit as streamlined forms, as well as the power and also signal connections in between the tools. They are wired in combination with one standard three way toggle switch which allows the light to be turned on and off from two positions with the three way dimmer switch controlling the lighting level. Wiring diagram contains many detailed illustrations that show the link of various products. Dimmer 3 way wiring switch diagram.

Wl 6387 leviton dimmers wiring diagram. It reveals the elements of the circuit as simplified shapes, as well as the power and signal connections between the devices. • lighting fixture and dimmer must be grounded. • green dimmer ground lead to green or bare copper wire in wall box. A wiring diagram is a streamlined conventional pictorial depiction of an electrical circuit.

Replacing Older Leviton Dimmer With New Lutron Different Wiring Home Improvement Stack Exchange
Replacing Older Leviton Dimmer With New Lutron Different Wiring Home Improvement Stack Exchange from i.stack.imgur.com
Three way switch wiring how to wire 3 switches hometips. Hyperikon led dimmer switch 3 way wall switchsingle pole rocker and slide dimmer light switch 150w ledcfl 700w incandescent and halogen fixtures white ul wallplate not included pack of 3. • maximum wire length from dimmer to all installed remotes cannot exceed 300 ft. Wl 6387 leviton dimmers wiring diagram. And finally we upload it on our website. Dimmer switch wiring diagram leviton 3 way. Installation instructions warning if you are leviton remove existing wallplate and switch or dimmer if applicable 3 connect wires per wiring diagram as follows 3 way switch 3 way switch white green. Secure each connector with electrical tape.

Leviton 3 way dimmer switch wiring diagram source:

Specify the product or system. Leviton 3 way dimmer switch wiring diagram sample. If a neutral wire is not in the wall box, consult a qualified electrician. Hyperikon led dimmer switch 3 way wall switchsingle pole rocker and slide dimmer light switch 150w ledcfl 700w incandescent and halogen fixtures white ul wallplate not included pack of 3. A wiring diagram is a streamlined conventional photographic representation of an electric circuit. A wiring diagram is a simplified conventional pictorial representation of an electric circuit. It shows the parts of the circuit as streamlined shapes, and the power and also signal connections in between the gadgets. Leviton dimmer wiring diagram 3 way 5a2424fa09fea to dimmers. A wiring diagram is a streamlined conventional pictorial representation of an electrical circuit. It shows the components of the circuit as simplified shapes, and the capacity and signal links amongst the devices. It reveals the components of the circuit as streamlined forms, as well as the power and also signal connections in between the tools. Leviton 3 way dimmer switch wiring diagram source: Wiring diagram will come with numerous easy to stick to wiring diagram guidelines.

• this dimmer requires a neutral wire connection. Control can be installed on either the load or line side. These instructions will likely be easy to understand and use. Wl 6387 leviton dimmers wiring diagram. Lutron dimmer switch wiring diagram fresh lutron maestro 3 way dimmer wiring diagram at leviton dimmers.

Z Wave Install For Dead End 3 Way Switch Doityourself Com Community Forums
Z Wave Install For Dead End 3 Way Switch Doityourself Com Community Forums from www.doityourself.com
Dimmer 3 way wiring switch diagram. Maximum wire length from dimmer to all installed remotes cannot exceed 300 ft. A wiring diagram is a streamlined conventional pictorial representation of an electrical circuit. Connect wires per wiring diagram as follows: • green dimmer ground lead to green or bare copper wire in wall box. Collection of leviton three way dimmer switch wiring diagram. Replacing dimmer wires don t match 3 way wiring diagram variations leviton trimatron 600 watt single pole rdl06 10z rotary dimmers switch electrical 101 universal push on off to replace a light with relay in box pdf full maestro location swith four wire diagrams ebook databases 2 6633 pl 6631 l installation three how from ipkit w 011. Leviton rotary dimmer wiring diagram foxylocket.

Leviton 3 way dimmer switch wiring diagram source:

Leviton rotary dimmer wiring diagram foxylocket. A wiring diagram usually gives guidance virtually the relative slope and covenant. Each part ought to be set and connected with other parts in specific way. Leviton 3 way led dimmer switch wiring diagram. With such an illustrative guidebook, you are going to be capable of troubleshoot, prevent, and full your assignments without difficulty. 5 nos leviton trimatron 3 way push on simple electrical wiring diagrams with replacing dimmer wires don t match diagram 600 watt single pole rotary lutron switch dv 600p dimmers from four led cfl incandescent electronic low voltage slide off multi location honda fit full or installation instructions scene decora ipsd6 1lz occupancy 6161 wire. 3 way switch wiring diagram. Dimmer may feel warm to the touch during normal operation. It is supposed to help each of the typical consumer in developing a correct method. Dimmer switch wiring diagram leviton 3 way. Replacing dimmer wires don t match 3 way wiring diagram variations leviton trimatron 600 watt single pole rdl06 10z rotary dimmers switch electrical 101 universal push on off to replace a light with relay in box pdf full maestro location swith four wire diagrams ebook databases 2 6633 pl 6631 l installation three how from ipkit w 011. Secure each connector with electrical tape. Hyperikon led dimmer switch 3 way wall switchsingle pole rocker and slide dimmer light switch 150w ledcfl 700w incandescent and halogen fixtures white ul wallplate not included pack of 3.

A wiring diagram usually gives guidance virtually the relative slope and covenant leviton 3 way switch diagram. Wiring diagram will come with numerous easy to stick to wiring diagram guidelines.